21年专业生产电动阀、气动阀、电磁阀等自动化阀门,可来图定制
全国统一热线
手机:13556667439(微信同号)
邮箱:covna-valve@foxmail.com
QQ: 3085892418
地址:广东省东莞市东城区堑头汉塘街26号龙昌微创园C栋

连接方式 | NPT、BSP、No Thread Glued Type(开关型、调节型可选) |
公称通径 | DN15~DN32(可按需定制) |
阀体材质 | UPVC PPE(可按需定制) |
阀座密封 | 2℃~55℃( 可按工作制温度 ) |
使用电压 | AC/DC 110-230V,DC9-24V(Optional) |
适用介质 | 流体、空气 |
咨询热线:13556667439(微信同号)
微型电动球阀技术参数:
| Valve size | 口径 | NPT/BSP 1/4" 3/8" 1/2" 3/4" 1" 11/4" (可选择) |
| Maximum working pressure | 最大工作压力 | 1.0 MPa |
| Circulation medium | 介质 | Fluid, air |
| Rated voltage | 额定电压 | DC5V DC12V DC24V AC/DC9-24V AC/DC110-230V (可选择) |
| Wiring diagram | 接线图 | CR201 CR202 CR301 CR302 CR303 CR304 CR305 CR306 CR501 CR502 CR701 CR702 CR703 CR705 CR706 (可选择) |
| Working current | 工作电流 | ≤500mA |
| Open/close time | 开关时间 | ≤5S |
| Life time | 工作寿命 | 70000 times (testing pressure is 0.4MPa, medium is water) |
| Valve body material | 阀材质 | Brass Nickel plated brass (可选择) |
| Actuator material | 执行器材质 | PPO |
| Sealing material | 密封材质 | FKM & PTFE |
| Actuator rotation | 执行器旋转角度 | 90° |
| Torque force | 扭力 | 3 N.m |
| Cable length | 线长 | 0.5m, 1.5m (可选择) |
| Environment temperature | 环境温度 | -15℃~50℃ |
| Liquid temperature | 液体温度 | 2℃~90℃ |
| Manual override | 手动功能 | Yes No (可选择) |
| Open/close indicator | 开关指示 | Yes No (可选择) |
| Protection class | 防护等级 | IP67 |
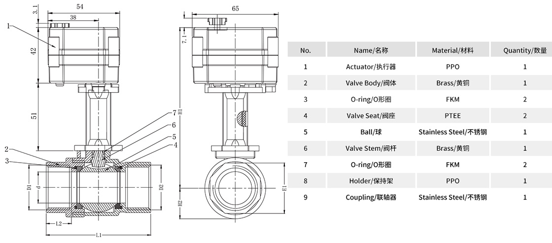
主要零件材质表:

主要外形及连接尺寸:
| 型号规格 | D1/D2 | d1 ± 0.3 | L1 ± 1 | L2 ± 1 | E1 ± 0.5 | H1 ± 1.5 | H2 |
|---|---|---|---|---|---|---|---|
| 8-B2-B | 1/4" | 8 | 50 | 12 | 20.5 | 111.5 | 12 |
| 10-B2-B | 3/8" | 10 | 50 | 12 | 20.5 | 111.5 | 12 |
| 15-B2-B | 1/2" | 15 | 57 | 12 | 25 | 115 | 16 |
| 20-B2-B | 3/4" | 20 | 65.5 | 15 | 31 | 118.5/120 | 19 |
| 25-B2-B | 1" | 23.5 | 71.5 | 16 | 38 | 120.5 | 22 |
| 32-B2-B | 1 1/4" | 25 | 80 | 18 | 46 | 122 | 25 |
| 32 B2 B | 1 1/4" | 29 | 80 | 15 | 46 | 137 | 27 |
微型电动球阀技术参数:
| Valve size | 口径 | NPT/BSP 1/4" 3/8" 1/2" 3/4" 1" 11/4" (可选择) |
| Maximum working pressure | 最大工作压力 | 1.0 MPa |
| Circulation medium | 介质 | Fluid, air |
| Rated voltage | 额定电压 | DC5V DC12V DC24V AC/DC9-24V AC/DC110-230V (可选择) |
| Wiring diagram | 接线图 | CR201 CR202 CR301 CR302 CR303 CR304 CR305 CR306 CR501 CR502 CR701 CR702 CR703 CR705 CR706 (可选择) |
| Working current | 工作电流 | ≤500mA |
| Open/close time | 开关时间 | ≤5S |
| Life time | 工作寿命 | 70000 times (testing pressure is 0.4MPa, medium is water) |
| Valve body material | 阀材质 | Brass Nickel plated brass (可选择) |
| Actuator material | 执行器材质 | PPO |
| Sealing material | 密封材质 | FKM & PTFE |
| Actuator rotation | 执行器旋转角度 | 90° |
| Torque force | 扭力 | 3 N.m |
| Cable length | 线长 | 0.5m, 1.5m (可选择) |
| Environment temperature | 环境温度 | -15℃~50℃ |
| Liquid temperature | 液体温度 | 2℃~90℃ |
| Manual override | 手动功能 | Yes No (可选择) |
| Open/close indicator | 开关指示 | Yes No (可选择) |
| Protection class | 防护等级 | IP67 |
主要零件材质表:

主要外形及连接尺寸:
| 型号规格 | D1/D2 | d1 ± 0.3 | L1 ± 1 | L2 ± 1 | E1 ± 0.5 | H1 ± 1.5 | H2 |
|---|---|---|---|---|---|---|---|
| 8-B2-B | 1/4" | 8 | 50 | 12 | 20.5 | 111.5 | 12 |
| 10-B2-B | 3/8" | 10 | 50 | 12 | 20.5 | 111.5 | 12 |
| 15-B2-B | 1/2" | 15 | 57 | 12 | 25 | 115 | 16 |
| 20-B2-B | 3/4" | 20 | 65.5 | 15 | 31 | 118.5/120 | 19 |
| 25-B2-B | 1" | 23.5 | 71.5 | 16 | 38 | 120.5 | 22 |
| 32-B2-B | 1 1/4" | 25 | 80 | 18 | 46 | 122 | 25 |
| 32 B2 B | 1 1/4" | 29 | 80 | 15 | 46 | 137 | 27 |
科威纳精小型电动球阀采用一体化紧凑设计,结构轻巧、外观美观,特别适用于空间受限的自动化控制系统。阀体采用耐腐蚀性优异的UPVC材料重量轻、抗化学性强,
球体与阀座精密配合,稳定性和密闭性好。执行器响应迅速,阀杆具防飞出结构,运行安全稳定。可选型支持接收多种控制信号(如4-20mA、0-10V、RS485等)。
源自德国先进制造技术,确保密封性能优异与长期使用的可靠性。



电动执行机构有手动型(电动+手动)、开关型、调节型(伺服控制型)和智能型四种控制方式,可根据具体需求选择相应的种类及尺寸。

电动执行器性能及特点:
优质铝合金压铸外壳,外观精巧,造型美观,最大扭矩4000Nm,防护等级可达IP68。整机经过2kgf/cm2密封性实验,可置于20m水深不渗漏。
阀门状态显示
简洁明了可清晰地显示阀门开启角度。镜片采用经过特殊强化处理的玻璃镜片,拒绝采用抗老化性差,受温度变化极易变形的塑料镜片。
原装进口导电塑料定位器
高品质原装进口导电塑料定位器,精度更高,寿命更长。
电气限位行程微调节装置
采用独有的专利技术设计,只需一只六角扳手,即可很方便地对执行机构的开向电气限位行程进行调整。同时独特的微量调节功能,使得电气限位行程的调整更加精准。
伺服控制器
独特的电子制动功能有效消除电机惯量,定位精确0.3%以上。输入、输出,电源三级光电隔离,搞干扰性能卓越,可控硅输出,动作时间快,频度可达1200次。
机械限位行程调节装置
不锈钢制作的机械行程限位螺栓和挡块可精确在调节执行机构至某一角度。为了方便调节,螺栓置于外部,每次调节后不锈钢螺母确保定位行程序终止。一般出厂时角度为0-90度,但也可以调节至任何角度。
电动执行器详细的尺寸大小、机型性能及接线图可点击: 电动执行器 进行了解!
科威纳精小型电动球阀采用一体化紧凑设计,结构轻巧、外观美观,特别适用于空间受限的自动化控制系统。阀体采用耐腐蚀性优异的UPVC材料重量轻、抗化学性强,
球体与阀座精密配合,稳定性和密闭性好。执行器响应迅速,阀杆具防飞出结构,运行安全稳定。可选型支持接收多种控制信号(如4-20mA、0-10V、RS485等)。
源自德国先进制造技术,确保密封性能优异与长期使用的可靠性。



电动执行机构有手动型(电动+手动)、开关型、调节型(伺服控制型)和智能型四种控制方式,可根据具体需求选择相应的种类及尺寸。

电动执行器性能及特点:
优质铝合金压铸外壳,外观精巧,造型美观,最大扭矩4000Nm,防护等级可达IP68。整机经过2kgf/cm2密封性实验,可置于20m水深不渗漏。
阀门状态显示
简洁明了可清晰地显示阀门开启角度。镜片采用经过特殊强化处理的玻璃镜片,拒绝采用抗老化性差,受温度变化极易变形的塑料镜片。
原装进口导电塑料定位器
高品质原装进口导电塑料定位器,精度更高,寿命更长。
电气限位行程微调节装置
采用独有的专利技术设计,只需一只六角扳手,即可很方便地对执行机构的开向电气限位行程进行调整。同时独特的微量调节功能,使得电气限位行程的调整更加精准。
伺服控制器
独特的电子制动功能有效消除电机惯量,定位精确0.3%以上。输入、输出,电源三级光电隔离,搞干扰性能卓越,可控硅输出,动作时间快,频度可达1200次。
机械限位行程调节装置
不锈钢制作的机械行程限位螺栓和挡块可精确在调节执行机构至某一角度。为了方便调节,螺栓置于外部,每次调节后不锈钢螺母确保定位行程序终止。一般出厂时角度为0-90度,但也可以调节至任何角度。
电动执行器详细的尺寸大小、机型性能及接线图可点击: 电动执行器 进行了解!
安装注意事项:
1、本品出厂前已经过全面调试,实际安装时,因阀门、联轴器等原因有可能不能满足您的使用要求,重新调试时请遵循产品说明书进行调试,如果还未解决请联系客服,将会安排技术工程师指导安装。
2、请严格按照说明书进行安装与调试,可参考安装接线图进行安装。
3、不可在未了解清楚安装与调试流程的情况下进行安装调试,避免造成不可逆电机损坏。
4、如果订购的是非防爆型执行器,请避开易燃易爆环境。
5、安装时请预留接线、手动操作等维修用空间
6、更详细内容请参考产品说明书或者咨询在线客服,也可拨打科威纳咨询热线:13556667439
安装注意事项:
1、本品出厂前已经过全面调试,实际安装时,因阀门、联轴器等原因有可能不能满足您的使用要求,重新调试时请遵循产品说明书进行调试,如果还未解决请联系客服,将会安排技术工程师指导安装。
2、请严格按照说明书进行安装与调试,可参考安装接线图进行安装。
3、不可在未了解清楚安装与调试流程的情况下进行安装调试,避免造成不可逆电机损坏。
4、如果订购的是非防爆型执行器,请避开易燃易爆环境。
5、安装时请预留接线、手动操作等维修用空间
6、更详细内容请参考产品说明书或者咨询在线客服,也可拨打科威纳咨询热线:13556667439
热门产品
/ HOT PRODUCTS